芯力特丨SIT3088E,3.0V~5.5V 供电, ESD 15KV HBM, 256 节点, 14Mbps 半双工 RS485/RS422 收发器

一、简述
SIT3088E 是一款 3.0V~5.5V 宽电源供电、总线端口 ESD 保护能力 HBM 达到 15kV 以上、总线 直流耐压达到±15V 以上、用于 RS-485/RS-422 通信的半双工高速收发器,包含一个驱动器和接收器。具有失效安全,过压保护、过流保护功能。SIT3088E 实现高达 14Mbps 的无差错数据传输。
二、SIT3088总线上挂接 256 个收发器
标准 RS485 接收器的输入阻抗为 12kΩ(1 个单位负载),标准驱动器可最多驱动 32 个单位负载。SIT3088E 收发器的接收器具有 1/8 单位负载输入阻抗(96kΩ),允许最多 256 个收发器并行挂接在 同一通信总线上。这些器件可任意组合,或者与其它 RS485 收发器进行组合,只要总负载不超过 32 个单位负载,都可以挂接在同一总线上。
三、SIT3088E驱动器输出保护
过流保护,在整个共模电压范围(参考典型工作特性)内提供快速短路保护,避免故障或总线 冲突引起输出电流过大和功耗过高。
四、SIT3088E特点
3.0V~5.5V 宽电源范围,半双工;
总线端口 ESD 保护能力 HBM 达到 15kV 以上;
总线容错耐压达到±15V;
1/8 单位负载,允许最多 256 个器件连接到总线;
驱动器短路输出保护;
低功耗关断功能;
接收器开路失效保护;
具有较强的抗噪能力;
集成的瞬变电压抵制功能;
在电噪声环境中的数据传输速率可达到 14Mbps;
提供小外型 DFN3*3-8,MSOP8/VSSOP8 封装。
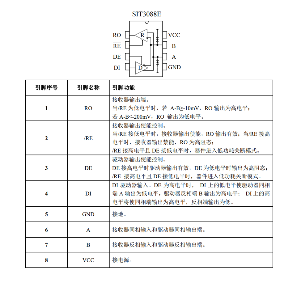
五、SIT3088E引脚分布&引脚定义

六、SIT3088典型应用
总线式组网:SIT3088E RS485 收发器设计用于多点总线传输线上的双向数据通信。如下图 显 示了典型网络应用电路。这些器件也能用作电缆长于 4000 英尺的线性转发器,为减小反射,应当在 传输线两端以其特性阻抗进行终端匹配,主干线以外的分支连线长度应尽可能短。

手拉手式组网:又称菊花链拓扑结构,是 RS485 总线布线的标准及规范,是 TIA 等组织推 荐使用的 RS485 总线拓扑结构。其布线方式就是主控设备与多个从控设备形成手拉手连接方式,如下图所示,不留分支才是手拉手的方式。这种布线方式,具有信号反射小,通讯成功率高等优点。

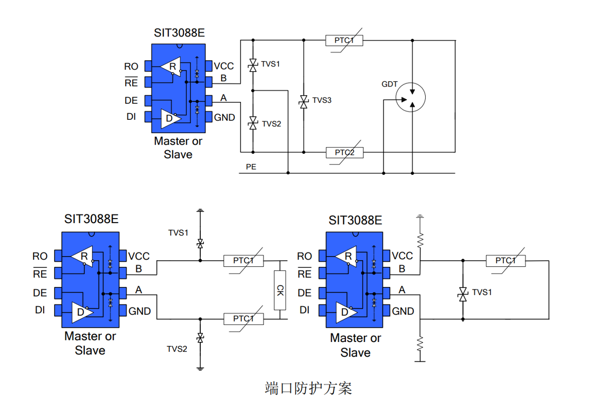
总线端口防护:在恶劣的环境下,RS485 通讯端口通常都做好静电防护、雷击浪涌防护等额 外的防护,甚至还需要做好防止 380V 市电接入的方案,以避免智能仪表、工控主机的损坏。下图 为常见的 3 种 RS485 总线端口防护方案。第一种为 AB 端口分别并联 TVS 器件到保护地,AB 端口 之间并联 TVS 器件、AB 端口分别串联热敏电阻、并接气体放电管到保护地形成三级保护的方案;第二种为 AB 分别并联 TVS 到地、串联热敏电阻,AB 之间并联压敏电阻的三级防护方案;第三种 为 AB 分别接上下拉电阻到电源与地,AB 之间接 TVS,A 或 B 某一端口接热敏电阻的方案。

- 深圳市汇创科电子科技有限公司
- 电话:0755-27809147
- 传真:0755-27809147
- 手机:13823247950
- 网址:www.hck-tech.com
- 销售中心:深圳市宝安区西乡街道固戍二路下围园七星创意园B座501
