SIT3485ISO具有隔离功能, 256 节点,半双工 RS485 收发器
更新时间:2022-11-24 10:26:53

SIT3485ISO简介:
SIT3485ISO 是一款电容隔离的半双工 RS-485 收发器,总线端口 ESD 保护能力 HBM 达到15KV 以上,功能完全满足 TIA/EIA-485 标准要求的 RS-485 收发器。 SIT3485ISO 包括一个驱动器和一个接收器,两者均可独立使能与关闭。当两者均禁用时,驱动器与接收器均输出高阻态。SIT3485ISO 具有 1/8 负载,允许 256 个 SIT3485ISO 收发器并接在同一通信总线上。可实现 500Kbps 以上的无差错数据传输。 SIT3485ISO 具备失效安全(fail-safe)、限流保护、过压保护和过热保护等功能。
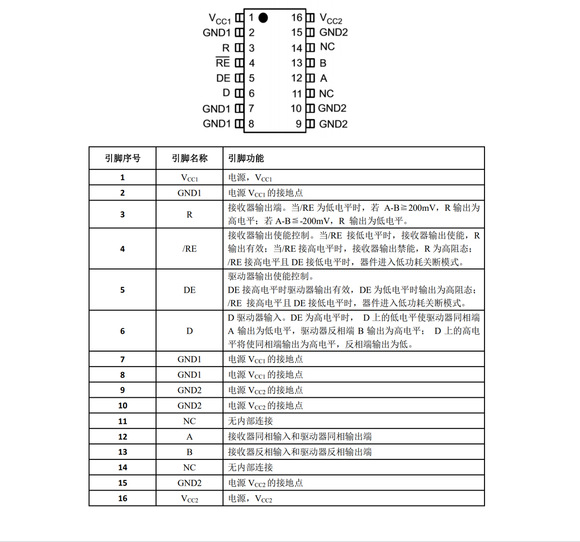
SIT3485ISO引脚分布,引脚定义:


联系我们CONTACT US
- 深圳市汇创科电子科技有限公司
- 电话:0755-27809147
- 传真:0755-27809147
- 手机:13823247950
- 网址:www.hck-tech.com
- 销售中心:深圳市宝安区西乡街道固戍二路下围园七星创意园B座501
